无锡市烨晟化工装备科技有限公司

无锡市烨晟化工装备科技有限公司

无锡市烨晟化工装备科技有限公司

专业生物、化工、制药设备及配套金属结构产品制造

全国免费服务热线

13921148301

产品详情
您的位置: 首页»产品中心»产品详情
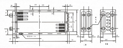
GLⅡ型散热排管(不锈钢散热器)
关闭本页

GLⅡ型散热排管(不锈钢散热器)

GLⅡ型散热排管(不锈钢散热器)
GLⅡ型为钢制双回路(二排)或多回路(四排)的空气热交换器,翅片管用Φ18×2mm无缝钢管绕制上10×0.3mm皱折钢带而成,呈螺旋状,其片距为3.2mm,可有各种表面管数,管长,排数组成多种规格。进出水管位于同一侧,工质热源为蒸汽或高温水,冷源为低温水或盐水,可用作空气加热器或空气冷却器,是—种经济耐用通用性较强的散热器。

GLⅡ型散热器
用于造纸、化工、轻纺等企业的空调、冷却除湿等工程。因其散热管小,翅片密,所以效果佳。

GLⅡ型编号方法:
型号—排数—表面管数—表面管长(英寸)
如采用四排,表面管数为10,管长为42英寸时,则为GL‖-4-10-42。

详细规格参数请与厂方联系。